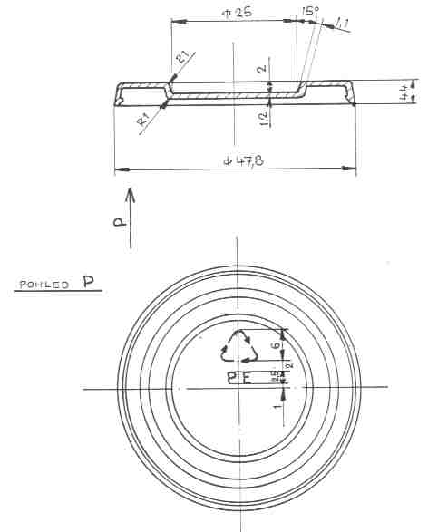
VIEČKO NA KELÍMKY 30ml a 50ml